手機:13827297626
電話:13827297626
郵箱:435281082@qq.com
地址:廣東省東莞市樟木頭鎮圩鎮荔苑路7號星耀國際
發布時間:2019-12-17 點此:15721次
大電流的撥動開關,通常指的是通電后,能耐電流達到2A以上的撥動開關,通常這種類型的撥動開關在結構和用料上都需要重新設計,保證安全。下面列舉幾款常見的大電流撥動開關以及對應的電路接線圖。
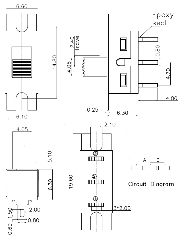
1、立式撥動開關K3-1391A

K3-1391A電路接線圖

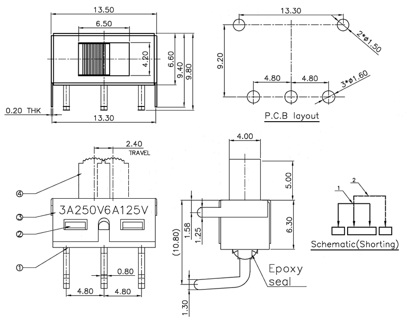
2、臥式大電流K3-1391B撥動開關

K3-1391B接線電路圖:

3、3A撥動開關


4、8A撥動開關H25-0823SC-9-孔針帶耳


5、16A撥動開關H25-1623U型柄4MM


上一篇:輕觸開關封裝
下一篇:16A大電流滑動開關
相關推薦