手機:13827297626
電話:13827297626
郵箱:435281082@qq.com
地址:廣東省東莞市樟木頭鎮圩鎮荔苑路7號星耀國際
發布時間:2019-11-02 點此:12822次
防水輕觸開關廠家報價的批發價格:0.10~0.52元/個;
工作溫度:-20℃to+70℃;
額定電流:50mA.12V DC;
絕緣電阻:100mΩ min.100V DC;
介電強度:250V AC for 1 min;
接觸電阻:接觸電阻;
按壓克力:120gf,160gf,250gf等等;
開關行程:0.25±0.1mm;
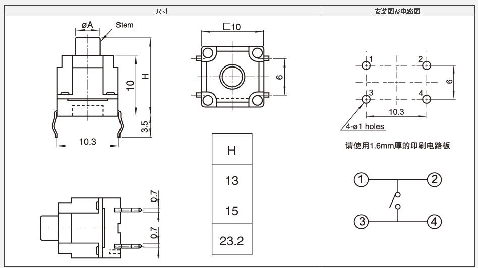
推薦可選高度尺寸:4.3mm/4.5mm/5.5mm/6.5mm/7mm/7.5mm/8mm/8.5mm/9mm/9.5mm/10mm/10.5mm/11mm/11.5mm/12mm;
防水輕觸開關的優點多用于陽臺上洗衣機面板防水原理,微波爐和電飯煲等家居電器的面板上面,解決用于手機的是貼片型的防水,現在多用生活產品關注的音量鍵上,以前用在數字鍵盤上。
相對于普通的輕觸開關,在密閉性上和生產的過程要求會更高,多用于特殊的防水設備上。防水輕觸開關分為:1、插件防水輕觸開關;2、SMD貼片防水輕觸開關;大多數防水開關的防水等級都在IP67左右,同時,可以在水下1M左右的位置,常溫下,30分鐘左右不會損壞.
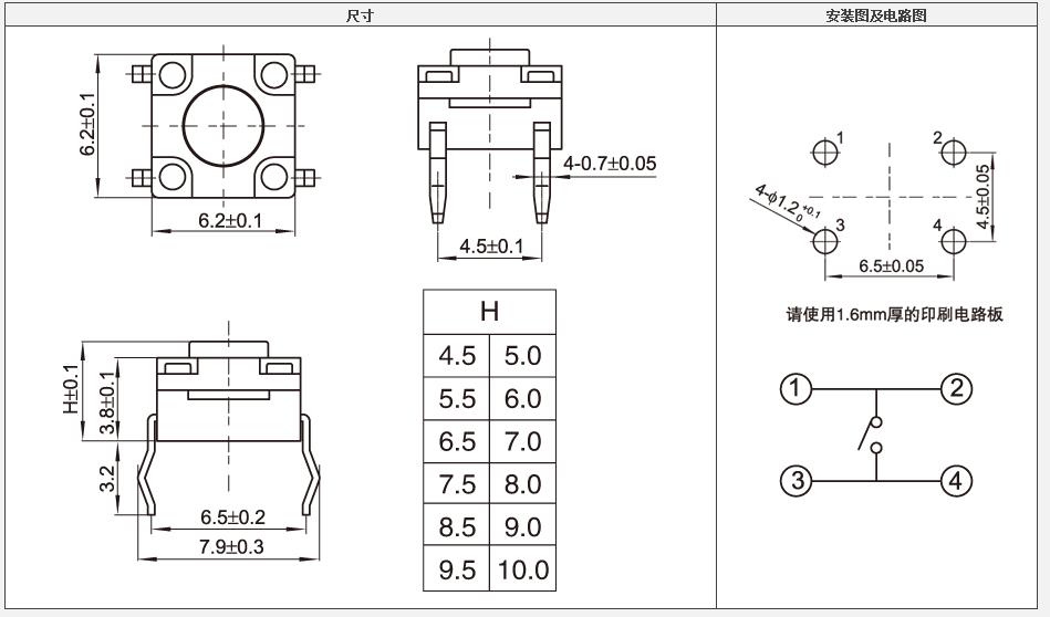
玩具儀器6*6插腳4觸點防水輕觸開關:

制造四腳防水隔離空氣輕觸開關電路圖:

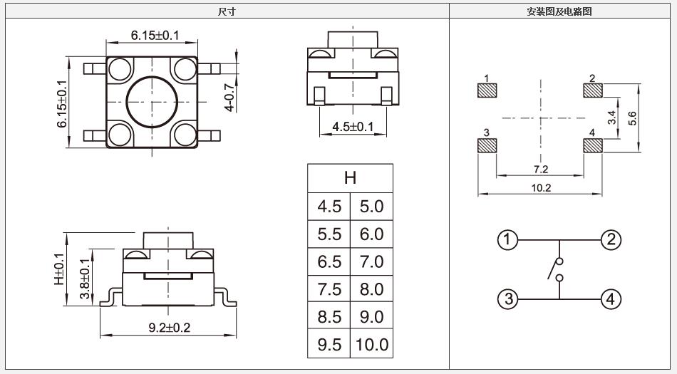
6*6貼片4金屬觸角防水輕觸開關

K3耳機防水防塵輕觸開關電路設計圖:

家用定制紅頭顏色電源防水按鍵開關(編帶封裝)

紅色按鈕款式結構規格書圖片

常見問題一
1.不同需求的防水輕觸開關方案目前來說,各行業都是需要到開關,但是也是由于開關規格類型區分較多,每種規格不同的開關都會有著不同功能和安裝裝修步驟。但是一般在裝修購置材料的時候,建議還是要選擇防水型開關的選購,因為所安裝的開關它有著非常大的作用,在日常當中,肯定經常都是會有接觸到水氣的地方,那么若是一些開關的材質不防水,很容易就造成這個開關出現故障的狀況,嚴重的話,還有可能直接造成損壞而報廢。
常見問題二
2.還有關于很多用戶都反映在剛安裝防水輕觸開關使用不了多久,就出現一些手感不好的狀況問題,從而就一致認為是開關的品質問題。這其中所了解發現,其實也大部分的問題都是由于一些安裝開關的操作方法不當,以至于才導致這些質量故障的情況產生。如開關在安裝當中,對于所添加的松香(助焊錫)不能過多,因為過多的松香,容易會使開關的焊接溫度升高,那么當焊接工藝過后,開關的塑膠材質一般都是容易致使出現變形而導致開關卡鍵等問題產生。因此請多注意開關的日常操作是否規范使用。
常見問題三
3.其次據發現大多人在防水輕觸開關的選購上講,都以為開關功能也就都差不多,隨便安個能用的就行了,沒必要關心那么多。但是許多用戶都是容易忽略掉的一點,那就是對于一些開關的材質構成等參數信息都是要了解清楚,因為目前大多數過標準的開關都是采用的pc耐磨耐高溫的材質,但是也有一些小商家為了競爭,降低價格,從而在材質上就有所做手腳,采用一些劣質不達標的材質,那么自然對于在開關的操作上,使用不了多久就造成出現表面起泡、按鍵卡鍵等一系列的問題狀況。
常見問題四
4.企業對于各位防水輕觸開關經常說防水輕觸開關出現的一些按鍵容易脫落或是卡鍵無法按動的情況:
其一這主要多數的原因都是有可能大家在日常按鍵開關的時候,沒有正確的往開關的中心部位按鍵開關,一般開關按鍵受力都是在中間,其余周邊都是一些盲區的按鍵感應,若是經常側按或斜按,都是容易造成開關內部的彈片錯位偏移,那么由此就會導致出現防水輕觸開關按鍵凸陷下去容易卡住按不動的現象。
其二關于防水輕觸開關的按鍵容易脫落的狀況,有可能是在日常的按鍵開關時,對于所使用的操作力度太過大,以至于造成開關內部的彈簧感應靈敏度有所影響,當一下子按鍵力度過大,輕觸內部的彈片靈敏度也會一下子增大,從而會造成把開關的按鍵帽子彈出來。
因為系列分類很多,以及不同型號的性能也是有所差別,如果客戶沒找到對應外觀的產品,都可以直接咨詢在線客服領取更多資料,穎鑫電子廠家為您提供專業全方位的服務,公司品質保證,免費寄樣,設計研發和管理人員齊全,壽命超長保障的優質電子元器件。東莞市穎鑫電子科技有限公司也展示更多數碼產品的usb插座和母座、撥動開關,ETC檢測開關,以及其他不同類型引腳觸點的電子元器件,需要詳細技術介紹說明書下載和快速售后。
防水輕觸開關的制作要相對于普通的輕觸開關要復雜點,主要是要保證防水性,就需要對密封性的要求很高,無論是從相關的材料到自動制作工藝,都需要上更多技術層面,而且防水時間的長短,也取決于制作工藝的精密程度。開關在電子元器件和連接器相互控制配合,也需要對設計者在了解產品的經驗和資質要求很高,建議在使用的時候,閱讀相關的產品技術新型文章和工作原理,這樣就能很好的讓開關應用在設備上。
相關推薦